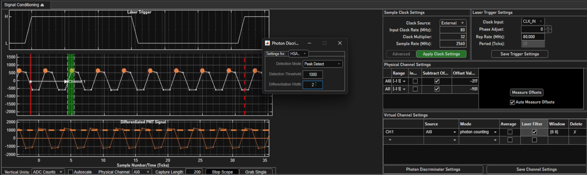
Photon Counting

ScanImage® includes a photon counting module, which uses a fast acquisition sampling rate (>1GHz) to directly sample the output of the transimpedance amplifier. ScanImage® analyzes the voltage signal and performs a peak detection on the signal to count photons in real time. By synchronizing the fast digitizer to the sample clock, time correlated photon counting is supported. This allows ScanImage® to bin detected photons into virtual output channels depending on their arrival time.

The acquisition DAQ can be operated in photo current integration mode and photon counting simultaneously for each of the physical high speed analog input ports. This allows display of each to get a direct comparison between the two modes. It is possible to use photon integration for bright regions and photon counting for photon limited regions in the sample. This maximizes the dynamic range of the microscope, and provides an effective means of noise suppression in the low signal regions.

Note

Photon counting is most useful for photon limited experiments. This means that less than 1 or less photons are expected to arrive at the PMT per laser pulse. In this regime, photon peaks are clearly separated in the signal. Once the photon rate rises, photon responses start to overlap and the photon discrimination will count multiple photons as a single event. At this point it is advised to switch to photo current integration mode.

Photon counting uses different GUIs depending on choice of DAQ hardware. Select the page appropriate to your microscope to continue: